产品中心

当前位置: 首页 >> 产品中心 >> 绝缘套管
浏览量:
811

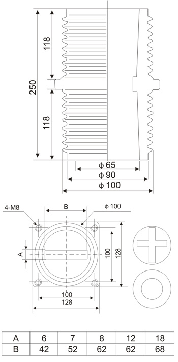
TG4-10Q/128(100×100)套管

产品概述TG4-10Q/128(100×100)套管适用于额定电压(10~35)kV, 频率(15~60)Hz的三相交流系统电站和变电所配电装置上 ,供导电部分穿过隔板、墙壁或其它接地物,起绝缘支持和外部导线(母线)间固定连接之用。
产品介绍
参数

产品概述

TG4-10Q/128(100×100)套管适用于额定电压(10~35)kV, 频率(15~60)Hz的三相交流系统电站和变电所配电装置上 ,供导电部分穿过隔板、墙壁或其它接地物,起绝缘支持和外部导线(母线)间固定连接之用。

201809081354004141.jpg

产品概述

TG4-10Q/128(100×100)套管适用于额定电压(10~35)kV, 频率(15~60)Hz的三相交流系统电站和变电所配电装置上 ,供导电部分穿过隔板、墙壁或其它接地物,起绝缘支持和外部导线(母线)间固定连接之用。

201809081354004141.jpg

深圳市宇光智能电气有限公司

地址:深圳市龙岗区坂田街道侨联东一巷三号1301

联系人:樊女士

手机:18969799001

邮箱:1914268813@qq.com

Copyright © 2021 深圳市宇光智能电气有限公司 版权所有. All Rights Reserved.                网站建设:颂诚网络 温州

宇光智能

18969799001

(工作日 7×24)